致力于浓缩干固系统与污泥干化系统研发智造

服务:180-0620-3277
技术:139-5240-4012
畅庆环保污泥低温干化综合解决方案定制化服务

关于污泥干化技术解答3

返回列表 来源: 发布日期: 2022.09.16


1.干化为什么要讨论换热形式?

干化所应用的换热形式是分析干化系统效能的重要理论基础。所有的换热均需通过一定的介质或界面来进行,这些介质或界面要么是气体,如空气、蒸汽、氮气、烟气等:要么是金属,这时其热量是通过烟气、导热油、蒸汽等介质来输送的。

介质蓄积和携带热量。含湿物料接触金属热壁时,水分子与金属分子的接触,形成了热传导;气态介质分子与含湿物料中水分子的包裹、混合和接触,形成了热对流。热传导和热对流是干化过程中应用最多的两种换热形式:绝大部分干化工艺均采用其中的一种作为主要換热形式,少数则两种兼备。除去烟气可以用于直接加热方式外,其余介质的应用均属于间接加热方式的热利用

换热形式决定了干化系统热量损耗的基本特点。

换热形势

2.干化工艺如何利用废热烟气?

所有的干化系统都可以利用废热烟气来进行。其中,间接干化系统通过导热油进行换热,对烟气无限制性要求:而直接干化系统由于烟气与污泥直接接触,虽然换热效率高,但对烟气的质量具有一定要求,这此要求包括:含硫量、含尘量、流速和气量等焚烧炉的烟气与间接干化系统的导热油换热吋,尚需注意烟尘具有一定的磨蚀性,烟气中可能含有一定的腐蚀性气体成份,以及换热器的高温腐蚀问题。

导热油系统的温度调整可以通过气动阀门调节烟气流量的办法来进行,但是当这种调节可能影响敏感的焚烧效果时,则有必要设立独立的燃气或燃油锅炉,通过对热值不足部分进行调温来实现。

废气


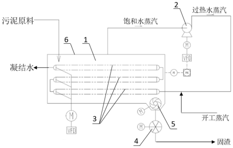
3.干化系统如何利用蒸汽进行干化

只有间接加热工艺才能利用蒸汽进行干化,但并非所有的间接工艺都能获得较好的干化效率。一般来说,蒸汽由于温度相对较低,必然在一定程度上影响干燥器的处理能力。蒸汽的利用一般是首先对过热蒸汽进行饱和,只有饱和蒸汽才能有效地加以利用。饱和蒸汽通过换热表面加热工艺气体(空气、氮气)或物料时,蒸汽冷凝为水,释放出全部汽化热,这部分能量就是蒸汽利用的主要能量。

蒸汽


4.干化工艺都有哪些工艺气体体系?

工艺气体对于采用热对流换热形式的工艺来说是必要的。工艺气体的作用有三个:

1)它是热量的携带者,从外部将热量带入干燥器,在干燥的过程中将热量传递给湿物料;

2)它是湿分的携带者,通过工艺气体本身的水蒸气压和物料表面的水蒸汽压差,将后者的湿分分散、转移到工艺气体中来,并通过循环和冷凝(部分或全部),达到带走湿分的目的。

3)工艺气体在某些工艺中还具有一定的搅拌、混合作用。

干化工艺可以使用的工艺气体包括空气、氮气、烟气、二氧化碳气、蒸汽等。最常见的是空气体系,无论使用烟气还是添加氮气,均是有一定惰性化特征的空气体系。仅有极少数工艺能够采用蒸汽体系。值得注意的是,界定其是否属于工艺气体的蒸汽体系应判断其是否满足以下两点特征:携入热量和带走湿分。显然,某些工艺中基本不存在大量工艺气体的循环,系统仅抽取相当于蒸发量的部分进行冷凝,此时仍属于典型的热传导系统。

余热干化机原理01-模型



5.蒸汽体系的优缺点有哪些?

蒸汽体系与空气体系的区别在于,在热干化的工艺回路中以蒸汽彻底取代了空气(烟气、氮气、二氧化碳),并由此获得以下两个重要优点:

(1)节能:取消了对全部工艺气体的洗涤,仅对相当于蒸发量的部分进行冷凝,其余的蒸汽在系统内循环。作为热对流系统,取消了工艺气体洗涤,意味着能耗的极大节约。

(2)绝对安全性:全蒸汽的回路内含氧量极低,并由于蒸汽的有效保护,使得粉尘爆炸的下限上升至绝对安全条件下。蒸汽体系当然也存在一些缺点,其中:

(1)管线的保温、耐压要求高于空气体系,因此这部分投资较高;

(2)取消湿法除尘,而采用干法除尘,增加了除尘装置的维护量。

(3)工艺气体的温度降低,可能导致相同质量的工艺气体所携带的热量有所降低,即处理效率的降低。这一体系对于某些特殊条件或特殊物料的干化,不失为一种极端的安全措施。如来自不同脱水装置的污泥,含水率波动极大,这种波动对于即使采用干泥返混措施的工艺来说都可能是非常危险的;另如某些物料中混合有易燃成份等。


6.湿泥含水率的变化是否重要?

进料含水率的变化对于干化系统来说是非常重要的经济参数。这个数值越低,意味着投资更大。此外,它还是一个有关安全性的重要参数。含水率因不同来源的湿泥(可能来自几个不同的污水处理厂)、脱水机的运行不正常(机械故障、机械效率降低、更换蓄凝剂或改变添加量)等原因,可能出现波动。当波动幅度超过一定范围时,就可能对干化的安全性形成威胁。产生危险的原因在于干燥系统本身的特点。一般干燥系统在调试的过程中,给热量及其相关的工艺气体量已经确定,仅通过监测干燥器出口的气体温度和湿度来控制进料装置的给料量。给热量的确定,意味着单位时间里蒸发量的确定。当进料含水率变化,而进料量不变时,系统内部的湿度平衡将被打破,如果湿度增加,可能导致干化不均;如果湿度减少,则意味着粉尘量的增加和颗粒温度的上升。全干化系统的含水率变化较为敏感,在直接进料时,理论上最多只允许2个百分点的波动(如设定20%,而实际22%),此时由于污泥水分的急遽减少,干燥器内产品的温度会飞升,形成危险环境。由于这一区间非常狭小,对调整湿泥进料量的监测反馈系统要求较高。

含水率变化


咨询热线

180-0620-3277